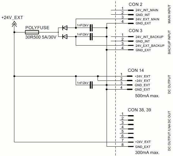
Your sat-nms IO-FEP2 provides different possibilities to supply units with low power consumption like relays, sensors, small signalling lights or something like that. As you can see on the following schematic, there is not forseen a fuse for each output. So you have to make sure by yourself, not to exceed mentioned current limits. Your sat-nms IO-FEP2 might be damaged in this case.
