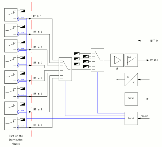
The RF-Switch Module collects 'n' distributed input signals and allows the user to link a selected signal to the output. The switch module is therefore connect with its input ports to one output port of each distribution board. At the input of these modules there are GasFet SPDT absorptive Switches in combination with 6:1 pin diode switches to handle the requested high suppression of each input. Again MIMIC amplifiers are used on each board to compensate the loss in the signal path. The Switch Boards are controlled via a serial data bus which is plugged on the Controller Module.
