Principle Structure
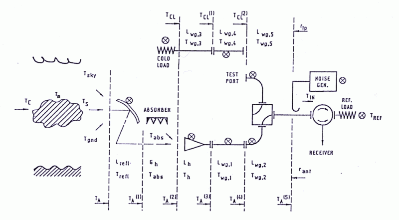
The radiometer type implemented is noise balancing / noise injection. The following diagram shows the principle structure. A circulator switches between the antenna/noise generator (noise diode) and a reference load. The following detector (RMD) rectifies the different signals. The RMC measure the signals and control the noise diode and the circulator.

Calculation of atmospheric attenuation

A noise balancing radiometer tries to reach equal noise-levels between the reference load and the noise generator (noise diode) plus the noise-level from the antenna. For this, the noise diode adds noise power to the received power from the antenna. The noise diode is pulse width modulated and a defined amount of noise power (n=Pulses; Q=Noise quantum) can be added. Equation 5.1 shows the relation.
(5.1)
With this relation in equation 5.5 we can calculate the noise power at the noise injection point. 'b' is a calibration factor for the added amount of the noise diode.
(5.5)
The receiver system is not ideal matched and a small amount of power is reflected by the antenna. For this equation 5.6 subtract the reflected power.
(5.6)
The waveguides in the radiometer receiver are afflicted with ohmic losses and add also some noise power to the received signal. This influence is corrected with equation 5.7, 5.8, 5.9.
(5.7)
(5.8)
(5.9)
The horn antenna is also afflicted with losses. This influence is corrected with equation 5.10. a is a weight factor for the influence of the added noise.
(5.10)
The horn antenna pickup some noise power because of the spillover. This influence is corrected with equation 5.11.
(5.11)
Also the reflector is afflicted with losses. This influence is corrected with equation 5.12.
(5.12)
At low elevation angles the antenna pickup noise from the ground. The amount depends on the elevation angle theta. Equation 5.13 corrects the influence and calculates the real sky noise.
(5.13)
Finally, the atmospheric attenuation can be calculated with equation 5.14.
(5.14)