The sat-nms IO-FEP2 is prepared to use two different 24V DC power supplies: 24V INT is for controller and processor circuit. 24V EXT is used to supply digital outputs and waveguide or coaxial switches. The sat-nms IO-FEP2 is prepared for redundant power supplies. So it is possible to supply this unit with one, two or four power supplies. We strongly recommend to use minimum 2 power supplies to to ensure maximal system stability of the sat-nms IO-FEP2. Near by CON2 you find 2 green LEDs: One is marked with '3.3V ok'. If this LED is on, 24V INT is connected and internal 3.3V voltage is available. If this LED is off although 24V INT is connected, check Fuse near by CON14. The other LED is marked with '24 ok'. If this LED is on, 24V EXT is connected and available.
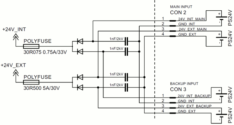
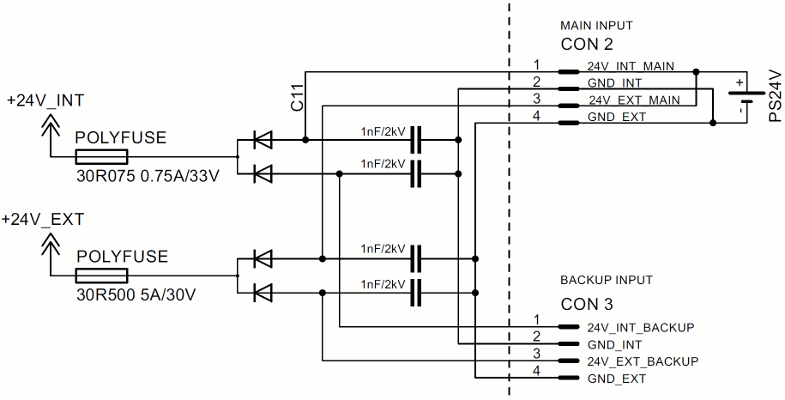
Following pictures show how to connect power supplies to the sat-nms IO-FEP2
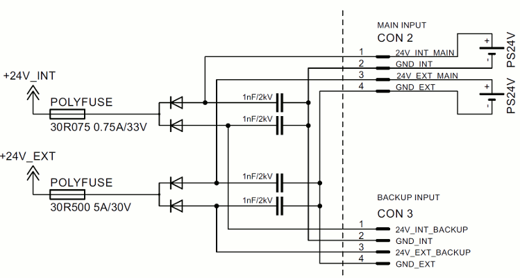
* using two power supplies Here one power supply is connected to the 24V INT input and the other one to 24V EXT input.


The power supply for 24V INT circuit has to have a minimum current load of 1A. The supply for 24V EXT circuit has to have a minimum current load of 1A plus current that will be taken from CON14 and peak current of the biggest waveguide or coaxial switch to be controlled. Do not exceed the current-limit, maximum peak-current for switching waveguide-switches is 5A.
24V EXT circuit is protected by a self-healing 5A Polyfuse, so maximum continuous current is 5A here.
The fuse for +24VDC circuit is near by CON14. In case of damage, only put in there delayed 2A types. Otherwise the sat-nms IO-FEP2 might be damaged. In the latest version, a Polyfuse is installed here. As it is self-healing, you do not have to take care about this fuse.