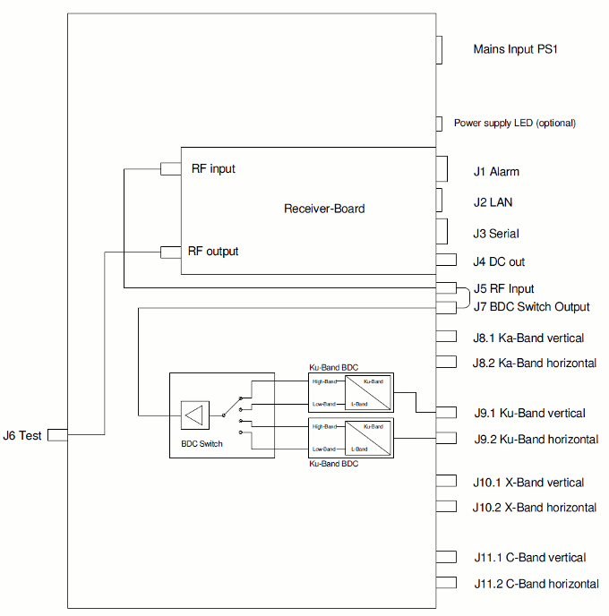
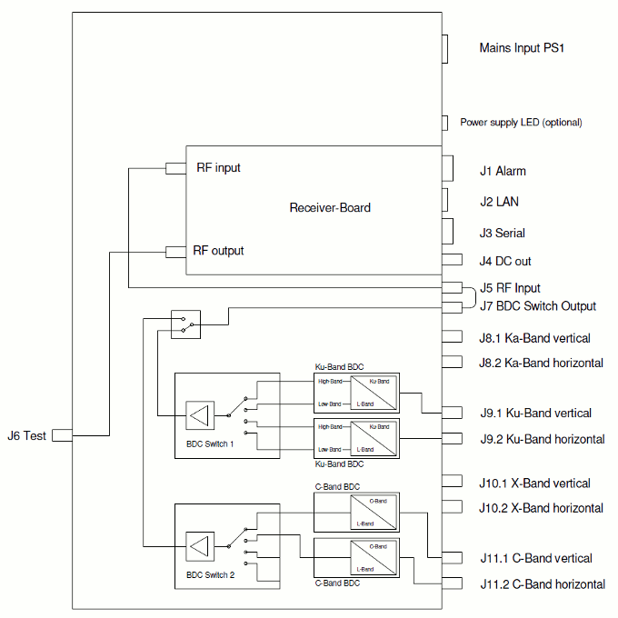
The C/X/Ku/KaBRX19 version provides up to 4 integrated block down converters (BDC) for C-Band ('C'), X-Band ('X'), Ku-Band ('Ku') or Ka-Band ('Ka'). In standard configuration 2 BDCs are installed. Amount of installed BDCs is defined by its full type name, e.g. Ku2BRX19 says that this receiver is equipped with 2 Ku-Band BDCs. If no number is mentioned only one BDC is installed. e.g. KuBRX19 contains only one Ku-Band BDC.
The sat-nms C/X/Ku/KaBRX19 provides an integrated multiswitch, which allows the beacon receiver via its configured input frequency and polarization parameters the selection of the corresponding BDC. The input connectors are named J8.1 ... J11.2 for the different frequency ranges. J6, the RF Test output connector, is located at the front panel.
For using the internal BDCs, you have to take care that the short coax-cable, which is delivered together with each beacon receiver, is connected between J5 (RF input) and J7 (BDC switch output). On the webpage of your sat-nms LBRX, you additionally have to ensure that both, LNB voltage and 22kHz Tone, are configured as 'AUTO'. This ensures that the unit automatically selects the correct internal BDC. These parameters to be found on the 'Setup' page.

rear view of the sat-nms C/X/Ku/KaBRX19
| J1 | pin no. | *Alarm contacts (SUB-D 9P pin) |
|---|---|---|
| 1 | not used | |
| 2 | not used | |
| 3 | not connected | |
| 4 | not used | |
| 5 | not used | |
| 6 | Fault relay (48V D/C, 100mA max.) | |
| 7 | Fault relay | |
| 8 | Level/Frequency track fault relay (48V D/C, 100mA max.) | |
| 9 | Level/Frequency track fault relay |
| J3 | pin no. | RS232 serial interface, DCE, (SUB-D 9P socket) |
|---|---|---|
| 1 | not connected | |
| 2 | TxD (output) | |
| 3 | RxD (input) | |
| 4 | internally bridged to pin 6 | |
| 5 | GND | |
| 6 | internally bridged to pin 4 | |
| 7 | internally bridged to pin 8 | |
| 8 | internally bridged to pin 7 | |
| 9 | not connected |
| Connector | Description |
|---|---|
| J2 | Ethernet 10Base-T, (RJ45) |
| J4 | Beacon level 0..10V (SMA female) |
Mains input connector
Connect the mains cord with 100...240VAC to the IEC connector to power up the unit. As a special version with 2 internal power supplies is available, you also may also find 2 LEDs (PS1 and PS2) on the rear panel. They show the actual state of the 2 power supplies. If you have ordered the standard version with only one power supply, blind plugs are installed instead of LEDs here. Do not forget to connect the "GND"-labeled screw to the PE potential.
RF connectors
| Connector | Description |
|---|---|
| J5 | RF Input (SMA female) |
| J6 | RF Test Output on Frontpanel (SMA female) |
| J7 | BDC switch RF Output (SMA female) |
BDC input connectors
| Connector | Description | Connector | Description |
|---|---|---|---|
| J8.1 | Ka-Band Input Vertical (SMA female) | J10.1 | X-Band Input Vertical (N 50Ohm female) |
| J8.2 | Ka-Band Input Horizontal (SMA female) | J10.2 | X-Band Input Horizontal (N 50Ohm female) |
| J9.1 | Ku-Band Input Vertical (N 50Ohm female) | J11.1 | C-Band Input Vertical (N 50Ohm female) |
| J9.2 | Ku-Band Input Horizontal (N 50Ohm female) | J11.2 | C-Band Input Horizontal (N-50Ohm female) |
Blind plugs are installed, if no BDC is installed for the corresponding frequency range.
The BDC inputs are in comparison to the other sat-nms beacon receiver versions NOT able to provide DC for e.g. LNA power supply.
Using the sat-nms C/X/Ku/KaBRX19 without integrated BDCs
For using the sat-nms C/X/Ku/KaBRX19 without integrated BDCs, you feed the beacon signal via a SMA connector to J5 (RF Input). The sat-nms C/X/Ku/KaBRX19 provides in this case the possibility to control an external switch via 14/18V Signal and 22 kHz Tone on/off or just to supply voltage to a LNB.
If you connect a L-Band signal source directly to J5 which is not able to withstand DC voltage, take care that the parameter 'LNB voltage' on the 'Setup' page is set to 'OFF'. Another possibility for sure is using a DC block.
Here are 2 block diagrams that show exemplary how different configurations are realized internally:

Block diagram Ku2BRX19

Block diagram Ku2C2BRX19