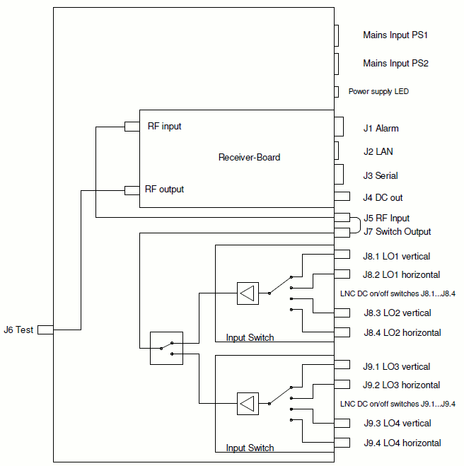
The sat-nms LBRX19-81 provides an integrated 8:1 multiswitch, which allows the beacon receiver via its input frequency and polarization parameters the selection of the corresponding LNB. The input connectors are named J8.1 ... J9.4. J6, the RF Test output connector, is located at the front panel.

rear view of the sat-nms LBRX19-81
| J1 | pin no. | *Alarm contacts (SUB-D 9P pin) |
|---|---|---|
| 1 | not used | |
| 2 | not used | |
| 3 | not connected | |
| 4 | not used | |
| 5 | not used | |
| 6 | Fault relay (48V D/C, 100mA max.) | |
| 7 | Fault relay | |
| 8 | Level/Frequency track fault relay (48V D/C, 100mA max.) | |
| 9 | Level/Frequency track fault relay |
| J3 | pin no. | RS232 serial interface, DCE, (SUB-D 9P socket) |
|---|---|---|
| 1 | not connected | |
| 2 | TxD (output) | |
| 3 | RxD (input) | |
| 4 | internally bridged to pin 6 | |
| 5 | GND | |
| 6 | internally bridged to pin 4 | |
| 7 | internally bridged to pin 8 | |
| 8 | internally bridged to pin 7 | |
| 9 | not connected |
| Connector | Description |
|---|---|
| J2 | Ethernet 10Base-T, (RJ45) |
| J4 | Beacon level 0..10V (SMA female) |
Mains input connector
The sat-nms LBRX19-81 is equipped with 2 redundant power supplies as standard. To display the actual state of each power supply, 2 LEDs are installed at the rear panel. Connect the mains cord with 100...240VAC to the IEC connector to power up the unit. Do not forget to connect the "GND"-labeled screw to the PE potential.
RF connectors
| Connector | Description |
|---|---|
| J5 | RF Input (SMA female) |
| J6 | RF Test Output on Frontpanel (SMA female) |
| J7 | 8:1 input switch RF Output (SMA female) |
LNB input connectors
| Connector | Description | Connector | Description |
|---|---|---|---|
| J8.1 | LNB Input LO1 (lowest LO) Vertical (SMA female) | J9.1 | LNB Input LO3 Vertical (SMA female) |
| J8.2 | LNB Input LO1 (lowest LO) Horizontal (SMA female) | J9.2 | LNB Input LO3 Horizontal (SMA female) |
| J8.3 | LNB Input LO2 Vertical (SMA female) | J9.3 | LNB Input LO4 (highest LO) Vertical (SMA female) |
| J8.4 | LNB Input LO2 Horizontal (SMA female) | J9.4 | LNB Input LO4 (highest LO) Horizontal (SMA female) |
75Ohm F connectors for the LNB inputs are available on special request.
LNB DC power supply can be switched for each input via corresponding DIP-switch. Take care if you connect a signal source that is not able to handle DC-power!
Using the sat-nms LBRX19-81 without integrated Multiswitch
For using the sat-nms LBRX19-81 without integrated Multiswitch, you feed the beacon signal via a SMA connector to J5 (RF Input). The sat-nms LBRX19-81 provides in this case the possibility to control an external switch via 14/18V Signal and 22 kHz Tone on/off or just to supply voltage to an LNB.
Using integrated Multiswitch
If you like to use the integrated Multiswitch, connect the LNBs as follows:
| LNB | connector |
|---|---|
| LO1 (lowest) vertical | J8.1 |
| LO1 (lowest) horizontal | J8.2 |
| LO2 vertical | J8.3 |
| LO2 horizontal | J8.4 |
| LO3 vertical | J9.1 |
| LO3 horizontal | J9.2 |
| LO4 (highest) vertical | J9.3 |
| LO4 (highest) horizontal | J9.4 |
J5 (RF Input) and J7 (Switch output) have to be connected via the short SMA-SMA cable which is delivered together with the unit. If you like the sat-nms LBRX19-81 to switch automatically to the LNB, the parameters "LNB voltage" and "22kHz Tone" on the "Settings" page have to be set to "AUTO". The parameters "LO frequency 1", "LO frequency 2", "LO frequency 3", "LO frequency 4", "Band edge 1/2", "Band edge 2/3" and "Band edge 3/4" have to be configured as well to allow the sat-nms LBRX19-81 the automatic switching between the different LNBs.

Block diagram LBRX19-81