2.3 Connecting the IO-FEP
As written in the introduction, the sat-nms IO-FEP is available in two different versions. The diagram below shows the layout of the IO-FEP's connectors:

The following diagram shows you the layout of the IO-FEP-E's connectors. For better overview the top-view is splitted in two pictures.


- CON1 is the Ethernet 100Base-T / RJ45 connector. Use a standard network cable to connect the IO-FEP to an Ethernet hub. If you want to connect your computer and the IO-FEP directly without using a hub, you need a crossover cable for this with swapped RX/TX lines.
- CON2 is to supply the sat-nms IO-FEP with power. You need two power packs, one for the +24VDC and another for the 24V_EXT circuit.
- CON3 is to realize a redundant power supply system. When you connect two other power packs on this connector the sat-nms IO-FEP switches automatically to the other supply in case of current loss.
- CON4 and CON5 are the digital outputs via photomos-relays. The standard configuration is, that the outputs are connected to the inhibit matrix to mute the connected HPAs in the moment of switching a waveguide switch. You can use them also as normal digital outputs. Therefore you have to change the Position of JP1...12. How to do this is described in chapter 2.4 configuring the sat-nms IO-FEP

- CON6, CON7, CON8 and CON9 are the connectors for digital inputs 1...16. They are only able to detect potential-free contacts. Never put Voltage to this pins, the sat-nms IO-FEP might be damaged in this case.

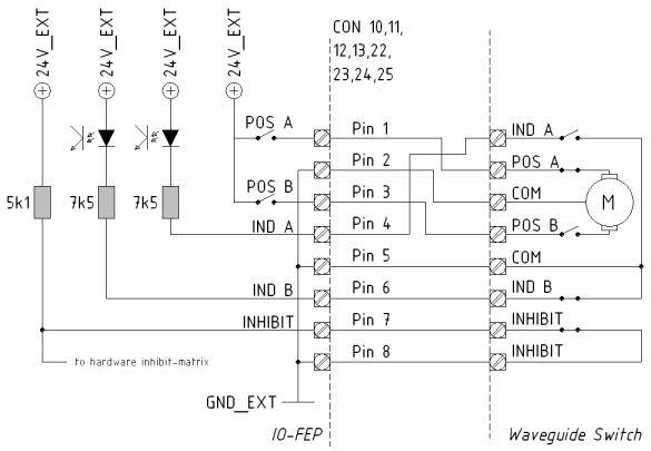
- CON10, CON11, CON12 an CON13 connect the waveguide- or coaxial-switches #1...4 that you want to control here. The pin allocation is the same on all these connectors.

- CON14 is the spare power output. If you want to use the 24V_EXT for other units, you can take the power from here. The maximum continuous current that can be taken from here is 500mA. Never exceed this limit, the IO-FEP might be damaged.
- CON15 is the RS232 and the I2C-bus interface. If you need an adapter cable to connect the sat-nms IO-FEP via RS232 interface to your computer, call the support center of SatService GmbH. The I²C-bus interface can only be used with a customized software for the sat-nms IO-FEP and is for special requirements.
- CON16 is the connector for the digital outputs switched by relays. COM1 is switched by three relays to OUT11...13. OUT14, OUT15 and OUT16 are the switched signals of COM4, COM5 and COM6. The external voltage that has to be switched by the relays may not exceed 24V. The maximum continuous current that can be switched is 1A.

- CON17 the external sensors to measure up to 4 temperatures have to be connected here. You can use any standard PT1000 type.
- CON18, CON19, CON20 and CON21 are the connectors for digital inputs 17...32. They are only able to detect potential-free contacts. Never put Voltage to this pins, the sat-nms IO-FEP might be damaged in this case.
- CON22, CON23, CON24 and CON25 connect the waveguide- or coaxial-switches #5...8 that you want to control here. The pin allocation is the same on all these connectors.
the following connectors are only to find on the extended version IO-FEP-E:
- CON26, CON27 are the connectors for digital inputs 33...40. They are only able to detect potential-free contacts. Never put Voltage to this pins, the sat-nms IO-FEP might be damaged in this case.
- CON28, CON29, CON30 an CON31 connect the waveguide- or coaxial-switches #9...12 that you want to control here. The pin allocation is the same on all these connectors.
- CON32, CON33 are the connectors for digital inputs 41...48. In the delivery configuration they are only able to detect potential-free contacts. Never put Voltage to this pins, the sat-nms IO-FEP might be damaged in this case. If you want to detect a 24V-Signal, have a look at chapter 2.4 configuring the sat-nms IO-FEP to learn how to configure the digital inputs to be ablte to detect a 24V-Signal.
- CON34, CON35, CON36 and CON37 connect the waveguide- or coaxial-switches #13...16 that you want to control here. The pin allocation is the same on all these connectors.
Power supply
The sat-nms IO-FEP is prepared to use two different 24VDC power supplies: 24VDC is for the controller and processor circuit. 24V_EXT is used to supply the digital outputs and the waveguide or coaxial switches. The IO-FEP is prepared for redundant power supply. So it is possible to supply the IO-FEP with one, two or four power supplies. We strongly recommend to use minimum 2 power supplies to to ensure the maximal system stability of the IO-FEP The following pictures show you how to connect the power supplies to the IO-FEP
- using only one power supply in this case 24VDC and 24V_EXT have to be connected to one power supply as you can see in the following picture

- using two power supplies here one power supply is connected to the 24VDC input and the other one to the 24V_EXT input.

- using four power supplies if you like to have a redundant power supply for the IO-FEP you have to use 4 different power supplies. Connect them to the IO-FEP as you can see in the following picture. In case of failure of one power supply the IO-FEP is switching automatically to the other one and will be still running

The power supply for the +24VDC circuit has to have a minimum current load of 150mA (IO-FEP-E: 200mA). The supply for the 24V_EXT has to have a minimum current load of 500mA (IO-FEP-E: 650mA) plus the current that will be taken from CON14 and the peak current of the biggest waveguide or coaxial switch to be controlled. Do not exceed the current-limit, in the circuit of 24V_EXT is no fuse implemented! The maximum peak-current for switching waveguide-switches is 5A.
The fuse for +24VDC circuit is directly beneath the RJ45 connector CON1. In case of damage only put in there 2A types. Otherwise the sat-nms IO-FEP might be damaged.